
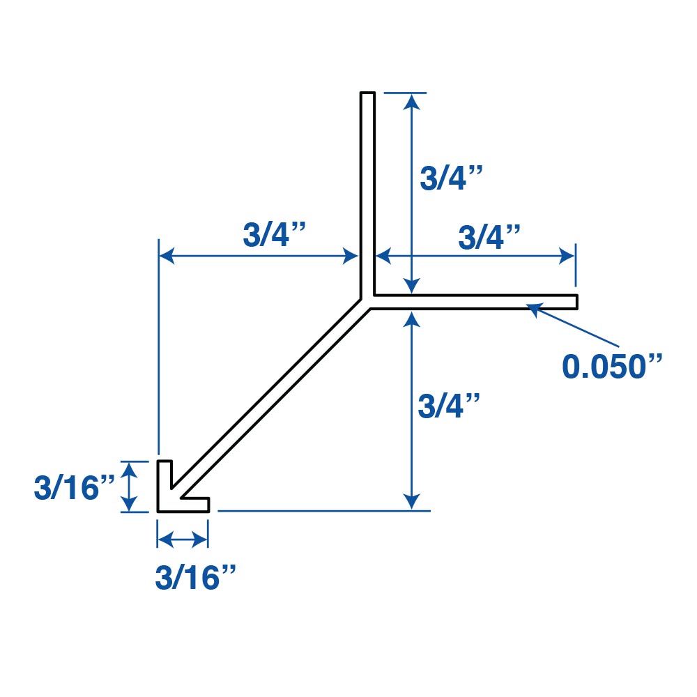
Deluxe Plaster Corner Molding
- Available in Aluminum Alloy (6063 T-5)
The Deluxe Plaster Corner Molding is used to creates a plaster stop and high strength corner for conventional 3-coat stucco with an aesthetically pleasing exposed edge at all outside corner.
MATERIALS AND FINISHES
Aluminum Alloy (6063 T-5)
ASTM & CODE STANDARDS
AA-M32-C10A21, AAMA 605.2, C841, C1047, C1063, B136-84, B244-97, D4214-98, ND1730-67-TYPE B
ADDITIONAL INFORMATION
Please note not all combinations of sizes and materials may be available in stock.
Not all X Sizes (Depth), Y Sizes (Reveal) and material combinations may be possible.