
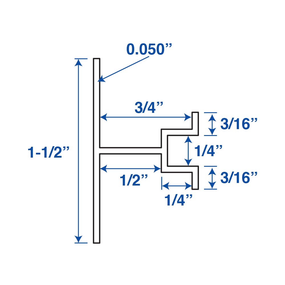
Deluxe Plaster Channel Screed 75-25/25
- Available in Aluminum Alloy (6063 T-5)
The Deluxe Plaster Channel Screed 75-25/25 features a small reveal width and ground depth for conditions that require a control joint with a small reveal for 1/2" of stucco over block.
MATERIALS AND FINISHES
Aluminum Alloy (6063 T-5)
ASTM & CODE STANDARDS
AA-M32-C10A21, AAMA 605.2, C841, C1047, C1063, B136-84, B244-97, D4214-98, ND1730-67-TYPE B
ADDITIONAL INFORMATION
Please note not all combinations of sizes and materials may be available in stock.
Not all X Sizes (Depth), Y Sizes (Reveal) and material combinations may be possible.