Deluxe J-Track
  • Available in Galvanized Steel 15ga (18Mil) or 20ga (33Mil)
  • Custom Sizes Available!
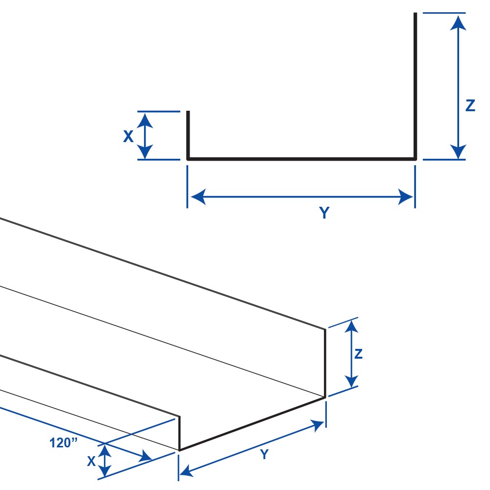
The Deluxe J-Track is used as bottom tracks within a shaft wall systems. With two differently sized legs, the longer leg provides additional support and allows panels to be screwed directly into the concrete slab.

MATERIALS AND FINISHES
Galvanized Steel

ASTM & CODE STANDARDS
A1003, A653, A924, C645, C754, C955

ADDITIONAL INFORMATION
Please note not all combinations of sizes and materials may be available in stock.
Not all X Sizes (Depth), Y Sizes (Reveal) and material combinations may be possible.



Available Deluxe J-Track Sizes Options
X Sizes
User Defined
Y Sizes
2-1⁄2", 4" or 6"
Z Sizes
User Defined