Deluxe T Water-Resistant Molding
  • Available in Aluminum, Copper, Galvanized Steel, Bonderized or Stainless Steel
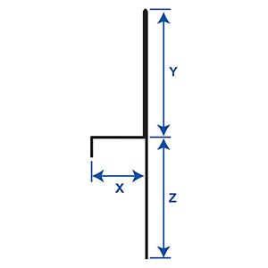
The Deluxe T Water Resistant Molding one-piece design feature mitigates the concern of moisture penetration in a horizontal condition. Provides a plaster stop for top of wall/parapet conditions. This design prevents moisture penetration at the top of the wall.

MATERIALS AND FINISHES
Aluminum, Copper, Galvanized Steel, Bonderized or Stainless Steel

ASTM & CODE STANDARDS
All Accessories are fabricated from prime galvanized steel G90 zinc coating by the hot dipped method, conforming to steel and coating specification ASTM A-653/A-653M or zinc alloy meeting ASTM B-69. Stainless Steel A480/A480M A580M (Stainless Steel) For installation and placement instructions refer to ASTM C1063, C841 and C926.

ADDITIONAL INFORMATION
Please note not all combinations of sizes and materials may be available in stock.
Not all X Sizes (Depth), Y Sizes (Reveal) and material combinations may be possible.



Available Deluxe T Water-Resistant Molding Sizes Options
X Sizes
1/2", 3/4", 7/8", 1", 1 1/4", 1 3/8" or 1 1/2"
Y Sizes
3/4", 1", 1 1/2", 2", 2 1/2" or 3"
Z Sizes
3/4", 1", 1 1/2", 2", 2 1/2" or 3"
Length
120"