Deluxe Wall to Deck Flashing
  • vailable in Aluminum, Copper, Galvanized Steel, Bonderized or Stainless Steel
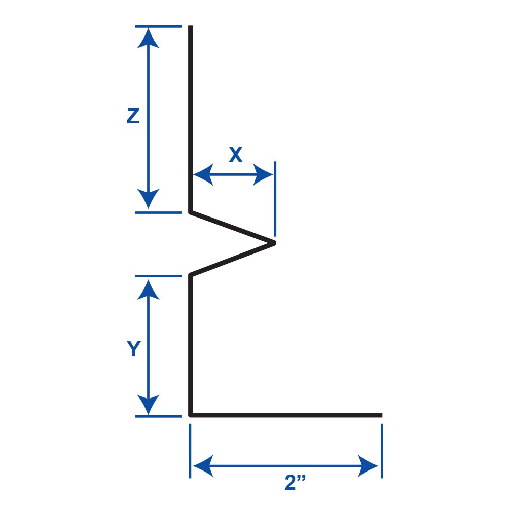
The Deluxe Wall to Deck Flashing is a plaster stop for conventional 3-coat stucco and pan flashing at a deck position where a plaster stop and flashing are needed.

MATERIALS AND FINISHES
Aluminum, Copper, Galvanized Steel, Bonderized or Stainless Steel

ASTM & CODE STANDARDS
dipped method, conforming to steel and coating specification ASTM A-653/A-653M or zinc alloy meeting ASTM B-69. Stainless Steel A480/A480M A580M (Stainless Steel) For installation and placement instructions refer to ASTM C1063, C841 and C926.

ADDITIONAL INFORMATION
Please note not all combinations of sizes and materials may be available in stock.
Not all X Sizes (Depth), Y Sizes (Reveal) and material combinations may be possible.